LCSC supplier Tai-Action has launched a 1KW GaN Totem-pole PFC+LLC Digital Control Solution based on TAE32F5300. The TAE32F5300 chip is particularly noteworthy for its versatility in supporting a wide range of mainstream power supply topologies, marking a significant advancement in the field of power electronics.
This document delves into the intricate details of Tai-Action’s 1KW totem-pole PFC and LLC digital power supply solution, highlighting its innovative use of GaN technology and the impressive array of features that contribute to its exceptional performance.
About Tai-Action PFC and LLC Digital Control Solution
Zhuhai Tai-Action Electronics Co., Ltd. (Tai-Action) is a high-tech company specializing in industrial and automotive DSPs, particularly R&D of high-end digital power supply solutions. So far, it has launched chip families including TMFx20x, TAE32F5300, and TAE32F5600. Among them, TAE32F5300 applies to the mainstream topology controls such as full-bridge PFC, totem-pole PFC, VIENNA PFC, LLC, and PFSB.

PFC and LLC Digital Control Solution Description
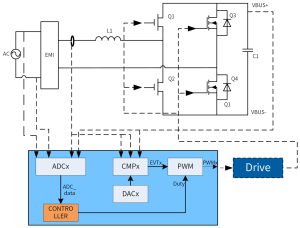
Tai-Action 1KW totem-pole PFC and LLC digital power supply solution based on TAE32F5300 applies GaN components from GaNext (Chip model: G1N65R035TB-N). This solution features high performance and high efficiency, with key performance parameters as follows:




Tai-Action’s 1KW totem pole PFC and LLC power solution, based on the TAE32F5300 chip, can be realized thanks to the following chip performance features:
- An embedded ERPU co-processor speeds up algorithm operation.
- A 12-channel high-precision pulse width modulator (PWM) with a minimum resolution of 195ps for each channel.
- The ADC offers a 2.2MSPS sampling rate and a resolution of up to 13 bits, supporting oversampling and average filtering.
- A 4-channel DAC with a 12-bit resolution and a CMP with a transfer delay of 18ns.
- It supports fault protection modes such as CBC and OST.


Features of Tai-Action PFC and LLC Digital Control Solution
Tai-Action’s 1KW totem pole PFC and LLC digital power supply solution, based on the TAE32F5300, offers the following advantages:
- Higher Efficiency: The totem pole topology and GaN design result in lower power loss, with the solution’s overall peak efficiency reaching up to 96%.
- Higher Speed:The IIR module embedded in the main controller achieves 50K software phase locking, which increases the circuit’s calculation frequency.
- Higher Stability:Digital control and automatic circuit compensation enhance instantaneous response and improve system stability.
- Higher Security:High-speed comparators embedded in the main controller enable CBC protection and allow for modification of protection functionalities such as overvoltage, undervoltage, and overcurrent within the software.



Conclusion
Tai-Action’s 1KW totem pole PFC and LLC digital power supply solution, underpinned by the cutting-edge TAE32F5300 chip, exemplifies the convergence of high performance and reliability in power management technology. The integration of GaN components from GaNext, the high-resolution PWM channels, and the sophisticated ADC and DAC capabilities, all synergize to deliver a solution that not only meets but exceeds industry standards for efficiency, speed, stability, and security. With its comprehensive fault protection mechanisms and the ability to adapt to varying input conditions, this solution represents a significant leap forward in digital power supply technology. Tai-Action continues to pave the way for innovation, setting the stage for future developments in power electronics that promise even greater efficiency and reliability.
LCSC is the distributor of Tai-Action. LCSC is a global distributor with a broad selection of electronic components, with more than 4.6 million registered customers worldwide. And, LCSC Electronics offer in-stock inventory for fast delivery since LCSC owns 130,000㎡ intelligent warehouses.
Source: Tai-Action